Pneumatic Flange Type Ball Valve
flange type ball valve manufacturer and wholesaler. Our products are produced according to the ISO9001:2000 standards. There are more than 10 well educated and experienced technicians in our company to deal with OEM pneumatic flange type ball valve services for our customers. Equipped with advanced facilities and high technology, now we are supplier of some famous enterprises such as the Parker Hannifin in the USA.


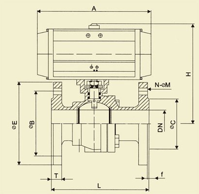
| D N | L | T | F | E | B | C | H | A | N-M | Actuator |
| 15 | 130 | 14 | 2 | 95 | 65 | 46 | 147 | 143 | 4-14 | RAT052DA |
| 20 | 130 | 16 | 2 | 105 | 75 | 56 | 152 | 143 | 4-14 | RAT052DA |
| 25 | 140 | 16 | 2 | 115 | 85 | 65 | 163 | 143 | 4-14 | RAT052DA |
| 32 | 165 | 18 | 2 | 140 | 100 | 76 | 184 | 173 | 4-18 | RAT083DA |
| 40 | 165 | 18 | 2 | 150 | 110 | 84 | 201 | 190 | 4-18 | RAT075DA |
| 50 | 203 | 20 | 2 | 265 | 125 | 99 | 219 | 193.5 | 4-18 | RAT083DA |
| 65 | 222 | 20 | 2 | 185 | 145 | 118 | 249 | 241 | 4-18 | RAT092DA |
| 80 | 241 | 20 | 2 | 200 | 160 | 132 | 272 | 263.5 | 4-18 | RAT105DA |
| 100 | 305 | 22 | 2 | 220 | 180 | 156 | 321 | 319 | 8-18 | RAT125DA |
| 125 | 356 | 22 | 2 | 250 | 210 | 184 | 381 | 390 | 8-18 | RAT140DA |
| 150 | 394 | 24 | 2 | 285 | 240 | 211 | 458 | 515 | 8-22 | RAT190DA |
| 200 | 457 | 24 | 2 | 340 | 295 | 266 | 534 | 560 | 12-22 | RAT210DA |
Pneumatic Flange Type Ball Valve
• Standard Design: BS 5351 Structure Length: ANSI B 16.10/JIS B2002/DIN PN 16320F4/F5 Flange Dimensions: ANSI B16.5/JIS B2210/DIN 2633PN16 Testing: API598 | Structure Length: ANSI B 16.10/JIS B2002/DIN PN 16320F4/F5 Flange Dimensions: ANSI B16.5/JIS B2210/DIN 2633PN16 Testing: API598 APPLICATION For General Chemical and Industrial Services Pressure and Temp. Range: ANSI B16.31/JIS B2201 |
SPECIFICATION
Fire-safe design
Body meterial: CF8M,CF8,CF3M
Additive: PTFE PPL flexible graphite
FEATURES
1. Unique design and beautiful appearance
2. High platform structure and connection to ISO5211, making installation of electric/pneumatic actuator
more professional.
3. Valve body is overlaid with reinforced bar, it can be permanently used in caustic media ,keep itself from
cracking and avoid the failure of parts of valve during installtion.
4. Grinding process of valve stem to reduce the moment of electric/pneumatic valve during assembly and
make it runmore flexible.
5. The body of carbon steel ball valve is phosphate coated, no fade ,rustless , durable and beautiful